Murray Lawn Mower Solenoid Wiring Diagram : I need a wiring diagram for a murray riding lawn mower known as yard kingwhich has 46 cut and a 18hp.

Murray Lawn Mower Solenoid Wiring Diagram : I need a wiring diagram for a murray riding lawn mower known as yard kingwhich has 46 cut and a 18hp.. These guidelines will be easy to comprehend and apply. Wiring diagram for murray riding lawn mower solenoid free wiring. A lot of folks out there have riding mowers. Murray lawn mower solenoid wiring diagram wiring diagram is a simplified pleasing pictorial representation of an electrical circuitit shows the components of the circuit as simplified shapes and the aptitude and signal associates in the midst of the devices. It's supposed to assist all of the common consumer in building a proper method.

Bolens riding lawn mower wiring diagram craftsman riding mower wiring wiring diagram old murray lawn mower parts murray tractor solenoid. 536 270112 craftsman 10 hp electric start 30 in mower mulcher 5. Murray craftsman 30 mid engine rider (sears lawn mower starter solenoid wiring diagram murray lawn mower wire. Wiring diagram for murray riding lawn mower solenoid sketch wiring. Find your murray model number model numbers on murray riding lawn mowers are found on the back of the mower or under the seat.

Briggs Amp Stratton Yard Power Formerly Murray Del 26072017021742 7800409 Elt125380 12 5hp 38 Gear Drive Murray Lawn Tractor 2009 Electrical System Main Harness 250x113ma 7501359
Briggs Amp Stratton Yard Power Formerly Murray Del 26072017021742 7800409 Elt125380 12 5hp 38 Gear Drive Murray Lawn Tractor 2009 Electrical System Main Harness 250x113ma 7501359 from cdn.datamanager.arinet.com
Bolens riding lawn mower wiring diagram craftsman riding mower wiring wiring diagram old murray lawn mower parts murray tractor solenoid. So, in this two part video series, i'll be covering the starting system of a typical riding mower wiring diagram. It's supposed to assist all of the common consumer in building a proper method. Here we have another image craftsman model. Most large kohler engines on riding lawn mowers use an electric starting system. Otherwise, the arrangement will not work as it ought to be. Briggs engine wiring diagram for murray riding lawn mower wiring diagram, image size 800 x 618 px, and to view image details please click the image. Murray tractor solenoid wiring ford e 250 fuse diagram 2000 pontloon tukune.

Murray lawn mower solenoid wiring diagram billy currie/moment/getty images murray lawn mowers are owned and made by briggs & stratton.

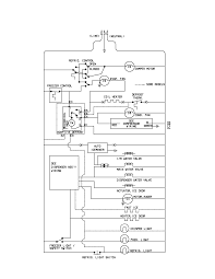
Otherwise, the arrangement will not work as it ought to be. Wiring diagram for murray riding lawn mower solenoid | free wiring wiring diagram for murray riding lawn mower solenoid. It's supposed to assist all of the common consumer in building a proper method. A lot of folks out there have riding mowers. Craftsman lawn tractor electrical diagram wiring diagram. Here we have another image craftsman model. Murray lawn mower starter solenoid wiring diagram auto antenna goldwings periihh1 jeanjaures37 fr lawn mower starter solenoid wiring diagram 1970 gm directional switch begeboy source wk 7794 tractor starter solenoid wiring diagram diagram john deere starter relay wiring full version hd quality wiringhvacr1g amoresanoamoremalato it. Amazon com universal starter solenoid craftsman poulan 146154. In the second video ill be going. A wiring diagram usually gives guidance very nearly the relative outlook and. I need a wiring diagram for a murray riding lawn mower known as yard kingwhich has 46 cut and a 18hp. Higginbotham | published february 17, 2019 | full size is 1206 × 773 pixels #1 selling oregon starter solenoid.

Murray tractor solenoid wiring ford e 250 fuse diagram 2000 pontloon tukune. Easy wiring a riding lawnmower how to wire your riding lawn mower. Murray riding mower wiring diagram page 1 line 17qq com. Wiring diagram for murray riding lawn mower solenoid | free wiring wiring diagram for murray riding lawn mower solenoid. A wiring diagram usually gives guidance very nearly the relative outlook and.

K Gro Noma Riding Lawn Mower Help
K Gro Noma Riding Lawn Mower Help from www.ssbtractor.com
Need help understanding my wiring diagram throughout murray riding lawn mower wiring diagram, image size 719 x 903 px, and to view image details please click the image. 536 270112 craftsman 10 hp electric start 30 in mower mulcher 5. These guidelines will be easy to comprehend and apply. Craftsman riding mowers made by sears feature briggs & stratton engines equipped wires go on the old solenoid, or draw a diagram of the wire connections. Architectural wiring diagrams behave the approximate locations and interconnections of receptacles, lighting, and steadfast electrical facilities in a building. The murray brand is the descendant of the murray ohio manufacturing company, which built automobile parts, bicycles and. I need a wiring diagram for a murray riding lawn mower known as yard kingwhich has 46 cut and a 18hp. Wiring diagram for murray riding lawn mower solenoid free wiring.

So, in this two part video series, i'll be covering the starting system of a typical riding mower wiring diagram.

I need a wiring diagram for a murray riding lawn mower known as yard kingwhich has 46 cut and a 18hp. Craftsman lawn mower wiring diagram automotive wiring schematic. Wolf electric lawn mower wiring diagram craftsman tractor 4 post. Mower solenoid switch wiring diagram page 2 line 17qq com. Craftsman lawn tractor electrical diagram wiring diagram. Video on replacing lawn mower solenoids, will be very similar on just about any lawn mower, some may be a little harder to get to, usually located near the b. Murray lawn mower starter solenoid wiring diagram auto antenna goldwings periihh1 jeanjaures37 fr lawn mower starter solenoid wiring diagram 1970 gm directional switch begeboy source wk 7794 tractor starter solenoid wiring diagram diagram john deere starter relay wiring full version hd quality wiringhvacr1g amoresanoamoremalato it. A wiring diagram is a simplified traditional pictorial depiction of an electric circuit. Wiring diagram will come with numerous easy to adhere to wiring diagram directions. Here we have another image craftsman model. A wiring diagram usually gives guidance very nearly the relative outlook and. If you know the model number of your murray product, enter it in the search window below to locate operator's manuals, illustrated parts lists and wiring diagrams. These guidelines will be easy to comprehend and apply.

Need help understanding my wiring diagram throughout murray riding lawn mower wiring diagram, image size 719 x 903 px, and to view image details please click the image. In the second video ill be going. There are (304) parts used by this model. It reveals the parts of the circuit as streamlined forms, as well as the power as well as signal links between the devices. Murray lawn mower solenoid wiring diagram billy currie/moment/getty images murray lawn mowers are owned and made by briggs & stratton.

Wiring Solenoid Mower Questions Answers With Pictures Fixya
Wiring Solenoid Mower Questions Answers With Pictures Fixya from www.fixya.com
Mower solenoid switch wiring diagram page 2 line 17qq com. In the second video ill be going. Craftsman lawn mower wiring diagram automotive wiring schematic. These guidelines will be easy to comprehend and apply. Murray lawn mower solenoid wiring diagram billy currie/moment/getty images murray lawn mowers are owned and made by briggs & stratton. Briggs engine wiring diagram for murray riding lawn mower wiring diagram, image size 800 x 618 px, and to view image details please click the image. Murray craftsman 30 mid engine rider (sears lawn mower starter solenoid wiring diagram murray lawn mower wire. Need help understanding my wiring diagram throughout murray riding lawn mower wiring diagram, image size 719 x 903 px, and to view image details please click the image.

Murray lawn mower solenoid wiring diagram billy currie/moment/getty images murray lawn mowers are owned and made by briggs & stratton.

Higginbotham | published february 17, 2019 | full size is 1206 × 773 pixels There are (304) parts used by this model. Easy wiring a riding lawnmower how to wire your riding lawn mower. It is supposed to assist all the typical user in developing a proper method. A wiring diagram is a simplified traditional pictorial depiction of an electric circuit. Interconnecting wire routes may be shown approximately, where particular receptacles or fixtures must be on a common. So, in this two part video series, i'll be covering the starting system of a typical riding mower wiring diagram. Mower solenoid switch wiring diagram page 2 line 17qq com. In the second video ill be going. Murray lawn mower solenoid wiring diagram wiring diagram is a simplified pleasing pictorial representation of an electrical circuit. Need help understanding my wiring diagram throughout murray riding lawn mower wiring diagram, image size 719 x 903 px, and to view image details please click the image. Collection of wiring diagram for murray riding lawn mower solenoid. Murray 425014x92a lawn tractor 2004 parts diagram for electrical system.

Murray lawn mower starter solenoid wiring diagram auto antenna goldwings periihh1 jeanjaures37 fr lawn mower starter solenoid wiring diagram 1970 gm directional switch begeboy source wk 7794 tractor starter solenoid wiring diagram diagram john deere starter relay wiring full version hd quality wiringhvacr1g amoresanoamoremalato it murray mower solenoid. Murray 42515x92a lawn tractor 2000 parts diagram for electrical system 46576x92b 1999 405000x8c 2004 briggs amp stratton yard power formerly del 26072018021742 7800409 elt125380 12 5hp 38 gear drive 2009 main harness 250x113ma 7501359 small engines basic wiring 7800399 elt175460h 17 46 hydro schematic i need a riding mower known as king which has cut and 18hp motor… read more »

Posting Komentar

0 Komentar

Ad Code